《工业门》国家标准图集起草单位
服务热线:
400-699-3258
15062688099
万象城(中国)
防爆卷帘门
防火卷帘门
柔性大门
产品中心
应用案例
万象城登录
关于新恒邦
联系我们
热门关键词:
防爆卷帘门
防火卷帘门
钢质隔热防火卷帘门(欧标)
柔性大门
抗风卷帘门
抗爆卷帘门
工业提升门
硬质快速卷帘门
防弹卷帘门
您的位置:
万象城(中国)
>
资质认证
>
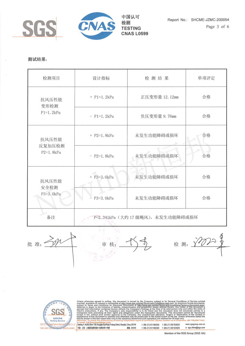
抗台风卷帘门SGS检测报告
关于新恒邦
公司环境
团队展示
生产车间
资质认证
专利证书
联系新恒邦
在线留言
抗台风卷帘门SGS检测报告
在线咨询
服务热线
400-699-3258
QQ咨询
微信扫一扫
返回顶部
开云手机站官方版网站登录入口
|
半岛在线登录入口官方网站
|
万搏网页版
|
九游登录入口
|
开云手机·官方版网站登录入口
|
万搏网页版
|
星空体育·(StarSky Sports)官方网站-登录入口
|
beat365·(中国)在线体育_唯一正版官网
|
IM网页版登录入口
|